Pillow Blocks

Ball Bearings

Housings for Miniature Bearings. Aluminium Pillow Blocks, with fitted ball bearing, enable shafts to be positioned and retained in ball bearings without the need to accurately bore housings for the bearings in the main structure of the machine/assembly.

Bearing Block Example

Features:

  • Aluminium housing.
  • Bearing i/d (shaft) sizes of 3mm, 4mm, 5mm, 6mm, and 8mm.
  • Block has both vertical and horizontal mounting holes, for alternative mounting configurations.
  • Bearing is mounted asymmetrically on vertical centre-line, to allow choice of shaft mounting heights.
  • Pillow block bearings are supplied with zinc-plated M5 fixings for mounting via either the vertical or the horizontal mounting holes.


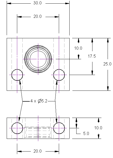
Drawing 1: Dimensions for Blocks with
3mm, 4mm and 5mm bore bearings

Bearing Block Drawing 3mm to 5mm

Drawing 2: Dimensions for Blocks with
6mm and 8mm bore bearings

Bearing Block Drawing 6mm to 8mm

Part
Number
(Link)
Bearing
Internal
Diameter
Bearing
type "b"
Max Radial
Load Kgf
Max
Axial
Load Kgf
Max
RPM
(x1000)
Dynamic Static
BB03M 3mm  633ZZ  130  50  12  45
BB04M 4mm  624ZZ  127  47  11  50
BB05M 5mm  695ZZW5  102  41  10  48
BB06M 6mm  626ZZ  233  89  22  40
BB08M 8mm  698ZZ  221  89  22  43

Shaft Mounting Block

These Mounting Blocks offer a simple, robust, neat, and cost-effective solution for mechanical devices and assemblies not requiring the ultimate precision and low rolling resistance of a pair of ball bearings.

Plain Bearing Block Example
Plain Bearing Block Example

Description and Features:

  • Simple robust Mounting Block to locate shafts, allowing rotational or linear motion.
  • Made from Black Acetal, which is hard and rigid, and has low frictional resistance with no lubrication.
  • Available for use with: 3mm, 4mm, 5mm, 6mm and 8mm shafts to h7 or h8 tolerance.
  • Minimal mounting footprint, using two in line M5 setscrew fixings (supplied).
  • Fully compatible with motionco's Meckit construction system, allowing direct attachment to the Meckit perforated bases, channels and plates.

Plain Bearing Block Drawing 3mm, 4mm, 5mm + 6mm
Part
Number
(Link)
Internal
Diameter
"D"
for shaft
MB03MP 3mm
MB04MP 4mm
MB05MP 5mm
MB06MP 6mm
MB08MP 8mm

Display: ListGrid
Show:
Sort By:
Pillow Block with 6mm Bore Ball Bearing
BB06M
Aluminium Pillow Block fitted with a Miniature Ball Bearing ( 626ZZ) with a 6mm Bore ..
Stock: 2 - 3 Days
£6.14 /each
Excl. VAT: £5.12
10 or more: £5.32 /each
25 or more: Please ask
Pillow Block with 8mm Bore Ball Bearing
BB08M
Aluminium Pillow Block fitted with a Miniature Ball Bearing (698ZZ) with a 8mm Bore ..
Stock: 10 pcs
£6.14 /each
Excl. VAT: £5.12
10 or more: £5.32 /each
25 or more: Please ask
Shaft Mounting Block - 3mm Bore
MB03MP
Mounting Block in Delrin for 3mm Shaft , with 2 x M5 in-line mounting holes at 20mm centres. ..
Stock: 2 - 3 Days
£5.39 /each
Excl. VAT: £4.49
Shaft Mounting Block - 4mm Bore Bore
MB04MP
Mounting Block in Delrin for 4mm Shaft , with 2 x M5 in-line mounting holes at 20mm centres. ..
Stock: 2 - 3 Days
£5.39 /each
Excl. VAT: £4.49
Shaft Mounting Block - 5mm Bore
MB05MP
Mounting Block in Delrin for 5mm Shaft , with 2 x M5 in-line mounting holes at 20mm centres. ..
Stock: 2 - 3 Days
£5.39 /each
Excl. VAT: £4.49
Shaft Mounting Block - 6mm Bore
MB06MP
Mounting Block in Delrin for 6mm Shaft , with 2 x M5 in-line mounting holes at 20mm centres. ..
Stock: 2 - 3 Days
£5.39 /each
Excl. VAT: £4.49
Shaft Mounting Block - 8mm Bore
MB08MP
Mounting Block in Delrin for 8mm Shaft , with 2 x M5 in-line mounting holes at 20mm centres. ..
Stock: 2 - 3 Days
£5.39 /each
Excl. VAT: £4.49